欢迎访问盐城标耐阀门制造有限公司网站!
语言选择: ∷ 

LNG用低温三偏心蝶阀介绍

发布时间:2025-01-24浏览次数:83
1
结构特点

三偏心蝶阀的三个偏心分别是指:轴心偏心、球心偏心、密封面偏心,如下图所示。

图片

(1)轴心偏心:阀板相对于阀体中心线的偏移,即阀板回转轴线与密封面偏置一个距离。

(2)球心偏心:阀轴相对于阀体中心线的偏移,即阀板回转轴线与阀体通道中心线偏置一个距离。

(3)密封面偏心:阀轴中心线相对于阀座锥角轴线的偏移,即阀座回转轴线与阀体通道轴线偏置一个角度。

2
性能特点
图片
3
结构形式
图片
图片
图片


图片
4
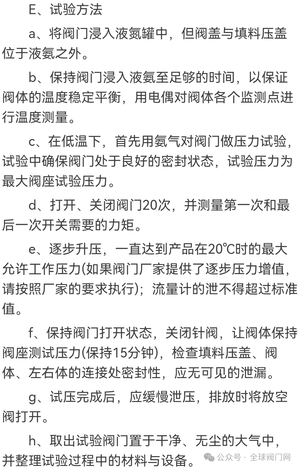
LNG低温蝶阀压力试验

图片


图片

图片

(4)注意事项

A、低温冻伤防护:作业涉及零度以下深冷气体的使用,应当注意防止人员因与波体以及低温管道直接接触而造成低温冻伤;试压人员必须配备工作服、工作鞋、防冻手套。试压作业期间,应及时检查泄漏点;告知所有人员低温冻伤的危险以及万一发生低温冻伤时应当采取的措施。

B、氦气排放:气态的氦气是一种无毒、无色、无味的气体,在平均温度下,氮气的密度比空气轻,但是当氦气的浓度过高且替代氧气时,氦气也会使人窒息。人不能察觉气和氧气浓度的变化,故不允许在封闭区域或通风不良好的地点放空氦气。

C、气压安全性:气体严密性试验存在危险性,因此应划定危险区,安排人员负责警戒及悬挂警示牌,禁止无关人员进入,而且升乐和降压都应缓慢进行使试压系统达到平衡。在升压期间,必须密切注意压力的升降情况,不允许有超压情况发生。

免责声明:本文源自LNG技术与经济,仅供参考,版权归原作者所有,如侵权请联系删除。



微信扫码微信扫码 关注我们

  • 24小时咨询热线021-51138860

  • 移动电话15221570163

 地址:上海市嘉定区金沙江西路1555弄慧创国际B区381号3楼 苏ICP备2024067431号-1 XML地图