Hello, welcome to Hunan Network Technology Co., Ltd.!
language: ∷ 

不同类型的控制阀:XV、PV、TV、LV、HV的简要说明和选择

Time:2025-01-24Views:511
通常,使用不同类型的控制阀是管网中令人感兴趣的部分之一。因此管道根据温度、压力和流量类型,可以对回路进行自动化流量控制,以保持所需的液位或流量。


我们使用了许多命名为FV、PV、HV、XV等的阀门,但不知道它们的实际功能和缩写名称的描述。在本文中,我们将了解:
1、不同的控制阀缩写
2、控制阀的工作原理
3、控制阀的一般设计方面等等。



控制阀总布置安装


控制阀安装布置始终包括以下内容:


1、两侧各有2个隔离阀(通常为闸阀),用于在控制阀的任何维护或维修期间隔离流经管线的流量。
2、2个排放阀带有端盖,用于在拆卸控制阀之前排出系统中的流体。
3、1个截止阀,当控制阀与系统不一致时用作旁通阀,并在进行任何维修或维护工作时进行拆卸。
图片


控制阀的总体布置

在许多需要精确控制流体流量的工业过程中,控制阀是一个关键部件。它通过调整流道的大小来调节流体(如气体、液体或泥浆)通过管道或通道的流量。


图片


控制阀通常由几个关键部件组成,这些部件共同调节流体的流速、方向和压力:

  • 阀体:

    这是控制阀的主要部件,为流体流动提供通道。

  • 阀内件:

    该组件与流体流动相互作用,以调节流速和流向。阀内件包括阀塞、阀座、阀杆和其他内部部件。

  • 执行机构:

    致动器产生移动阀杆和控制流体流量所需的力。执行机构可以是气动、电动或液压的。

  • 定位器:

    该部件接收来自控制器的控制信号,并调整阀门的位置以保持所需的流量。定位器可以是气动的,也可以是电子的。

  • 仪器仪表:

    仪器包括传感器和其他测量压力、温度和流量等工艺参数的设备。该信息用于向控制器提供反馈,并确保保持所需的流速。

  • 配件:

    可以在阀门上添加其他部件,例如手动操作的手轮、指示阀门位置的限位开关或控制空气或电信号的电磁阀。

这些部件的布置可能因控制阀的类型及其应用而异。例如,截止阀、球阀和闸阀有不同的布置。然而,基本原理保持不变,阀体、阀内件、执行机构和仪表共同调节流经系统的流体流量。

控制阀的正确选择和使用对于高效的工业过程至关重要。控制阀有助于保持精确稳定的流速,降低能耗,优化工艺性能。

总的来说,控制阀是一个复杂的系统,由多个部件协同工作,以调节工业过程中的流体流量。为应用选择和操作正确的控制阀以实现最佳工艺性能至关重要。


控制阀工作原理


控制阀工作原理是通过调整流道的大小来控制流体的流量.阀体为流体流动提供路径,而阀内件调节流速和流向阀内件包括阀塞、阀座、阀杆以及与流体流动相互作用以调节流速的其他内部部件。

阀门执行器产生移动阀杆和控制流体流动所需的力。根据应用的要求,执行机构可以是气动、电动或液压的。当收到控制信号时,执行器移动阀杆,从而改变阀内件的位置,从而调节流体流量。

阀门定位器从控制器接收控制信号,确定所需的流速。然后,定位器调整阀门的位置,以保持所需的流速。根据应用的要求,定位器可以是气动的,也可以是电动的。

控制阀的仪表包括传感器和其他测量压力、温度和流量等工艺参数的设备.该信息用于向控制器提供反馈,并确保保持所需的流量。


控制阀的执行机构类型


控制阀使用各种类型的致动器来控制流体的流动。这些执行器产生移动阀杆和调整流道尺寸所需的力。最常用的类型执行机构控制阀有气动、电动、液压和电动液压。

  1. 气动执行机构:

    使用压缩空气作为动力源移动阀杆并调节流体流量。它们通常用于中小型阀门,具有成本效益且简单易行。另一方面,电动执行器使用电力移动阀杆并控制流体流量。它们比气动执行机构更精确,通常用于需要精确控制的大型阀门。

  2. 液压执行器:

    使用液压油作为动力源来移动阀杆并控制流体流量。它们通常用于高压应用或需要精确控制的场合。电动液压执行器将电动执行器的精度与液压执行器的功率相结合。他们使用电动机驱动液压泵为执行机构提供动力。

  3. 电动执行机构:

    这些执行器使用电力移动阀杆并控制流体流量。电动执行机构比气动执行机构更精确,通常用于需要精确控制的大型阀门。

  4. 电动液压执行机构:

    这些执行器结合了电动执行器的精度和液压执行器的功率。他们使用电动机驱动液压泵为执行机构提供动力。


为控制阀选择合适的执行机构取决于几个因素,例如阀门的尺寸、所需的流量和压力以及所需的精度水平。每种类型的执行器都有其优缺点,选择正确的执行器对实现最佳工艺性能至关重要。



控制阀体类型


控制阀有不同的阀体类型,每种都具有独特的功能,使其适合特定的应用。一些常见的控制阀阀体类型包括:

  1. 截止阀:

    这些阀门具有球形阀体和内部挡板,用于引导流体流经阀门。它们通常用于控制管道中的流量。

  2. 球阀:

    这些阀门的阀体呈球形,中心有一个孔。球旋转以控制流体的流动。球阀是开/关应用的理想选择。

  3. 蝶阀:

    这些阀门有一个圆盘状阀体,内部有一个可旋转的圆盘,用于控制流体流动。它们是需要快速关闭的应用的理想选择。

  4. 隔膜阀:

    这些阀门有一个灵活的隔膜,可以上下移动以控制流体流量。它们是流体污染问题的理想应用。

  5. 夹管阀:

    这些阀门有一个柔性套筒,通过挤压来控制流体流量。它们非常适合流体中含有固体或其他碎屑的应用。

  6. 针阀:

    这些阀门具有细长的锥形阀体,带有控制流体流动的针状柱塞。它们是需要精确控制流体流量的应用的理想选择。


不同类型控制阀的缩写


通常,我们会遇到控制阀的各种缩写,即XV、PV、TV、LV等。每个控制阀都有不同的功能,用于控制处理系统的其他参数。

在这里,我们将了解每个标签及其详细描述:


图片


XV是控制流体流量的控制阀类型。通常,XV表示开关型控制阀。这意味着它要么允许流体流过它,要么完全停止它

通常,这种类型的控制阀没有任何旁通阀作为辅助配置。XV型阀门总是从以下02种操作方法中选择一种:

  1. 故障关闭(FC)

    这通常显示在P&ID中阀门符号的正下方。故障关闭表示阀门的功能,表明如果该阀门出现任何故障,该阀门将阻止工艺流体流动。

  2. 故障打开(FO)

    与上述类型相反,控制阀符号下方的FO表示如果出现任何故障,它将保持打开状态。


可根据工艺的要求选择FC或FO。





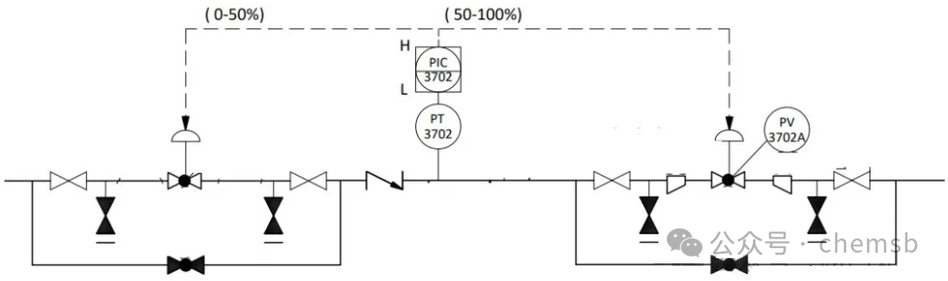
压力控制阀(PV)


图片


顾名思义,压力控制阀或PV是一种常用于调节和控制系统中流体压力的阀门。阀门的主要功能是在特定范围内保持一致的压力水平,而不管上游或下游压力是否发生变化。

压力控制阀的操作涉及根据压力变化进行打开和关闭,这有助于调节流经系统的流体流量。如果压力超过设定点,阀门打开,使流体逸出并降低压力。相反,如果压力降至设定点以下,阀门将关闭,以防止流体逸出并增加压力。

如上图所示,指示压力控制阀与管线的压力变送器相连,该管线将指示发送给控制器,以在所需的开度百分比内操作阀门,以保持工艺压力。

注:一般来说,压力变送器和压力控制阀或PV的位号始终相同,以便于识别和调节系统。




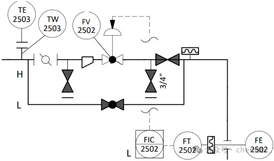
流量控制阀(FV)


图片
流量控制阀或FV是一种有助于调节和控制系统中流体流速的阀门。它的工作原理是改变阀门开口的大小,以在特定范围内保持一致的流速,无论上游或下游发生了什么。


流量控制阀从流量计(如上图所示)调整阀芯位置,保持所需流量在手动流量控制阀中,操作员调整阀芯位置以控制流量。

如果流体流速超过预定水平,阀杆会降低阀芯,以减小开口尺寸并降低流速。相反,如果流速降至设定值以下,阀杆将提升阀芯,以增大开口尺寸,从而使更多的流体通过。




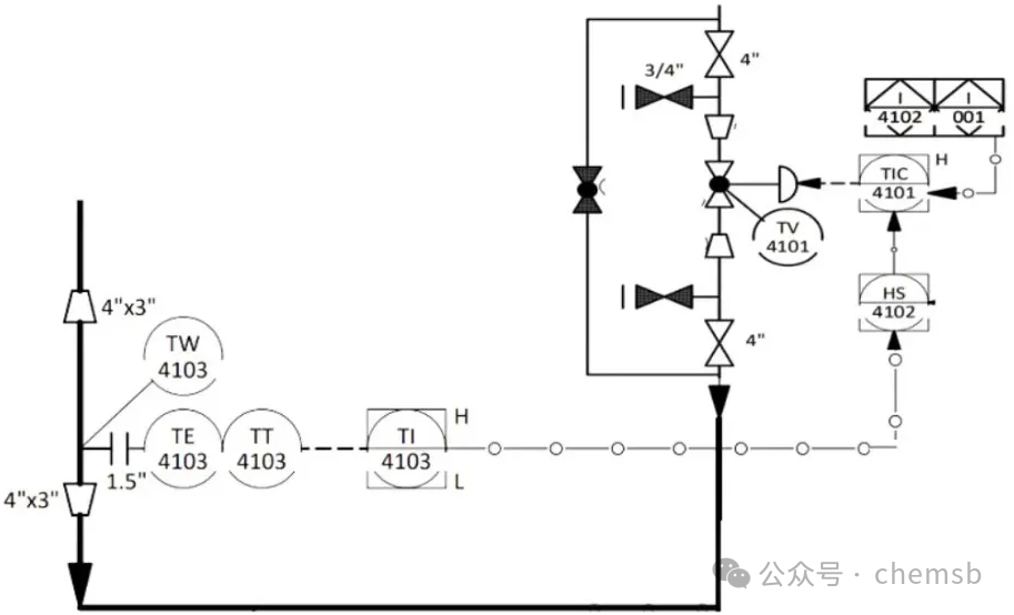
温度控制阀(TV)



温度控制阀或TV是一种用于调节和控制系统中流体温度的阀门。其主要功能是在规定范围内保持恒定的温度,而不管上游或下游条件如何变化。


图片


温度控制阀通常安装在处理系统内的管道或容器中,并且它连接到监测流体或处理系统的温度的温度传感器。如果温度高于或低于所需的设定点,阀门将调整热流体或冷流体的流量,以保持所需的温度范围。

在自动温度控制系统中,阀门由温度控制器控制,该控制器接收来自温度传感器的输入,并相应地调整阀门。可以对控制器进行编程,以保持特定的温度范围,还可以对其进行配置,以在温度偏离所需设定值太远时提供报警或关闭过程。

温度控制阀连接至温度元件或热电偶套管,以检测温度并发送相应的信号来操作控制阀




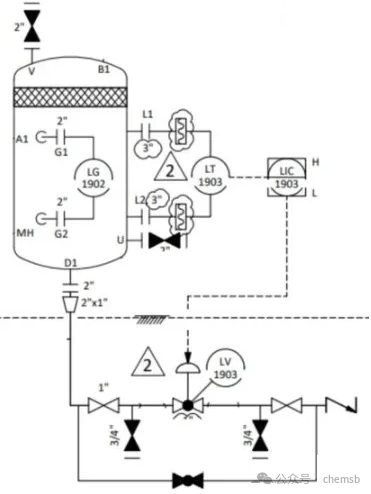
液位控制阀(LV)



液位控制阀或LV是用于保持储罐或容器内液位一致的装置。它的工作原理是根据液位的变化来调节进出储罐的液体流量。该阀可确保液位保持在特定范围内,这有助于防止溢出、下溢或其他问题。

液位控制阀通常安装在与储罐或容器相连的管道或容器中。它连接到一个液位传感器,用于监测油箱内的液位。当液位高于或低于所需设定点时,液位控制阀会相应地调整液体流量。


图片


例如,如果液位升高到所需的设定点以上,阀门将减少流入储罐的液体流量,从而降低液位。相反,如果液位降至所需设定点以下,阀门将增加流入储罐的液体流量,从而提高液位。

如图所示,液位控制阀或LV与液位变送器相连,液位变送器与阀门通信,从而操作和控制流量。




手动控制阀(HV)


图片


手动控制阀或HV是一种通过手柄或杠杆进行手动控制的阀门。它们通常用于需要或首选手动控制的应用,尤其是在低压或小规模系统中。

手动控制阀上的手柄或杠杆直接连接到阀杆,阀杆移动阀芯以调节流经阀门的流体或气体流量。顺时针或逆时针旋转手柄可调节阀元件的位置,进而调节流体或气体的流量。

这些阀门可用于控制各种工业过程中流体或气体的流量、压力或温度,例如在加热和冷却系统、化学处理设施和水处理厂中。

手动控制阀的一个优点是简单易用。它们不需要任何外部电源或复杂的控制系统,这使它们成为许多应用的经济高效的选择。此外,手动控制允许快速调整和立即响应工艺条件的变化。

然而,手动控制阀有一些局限性。它们需要人工干预才能运行,这在大规模系统中可能是耗时且劳动密集型的。此外,它们可能不如自动控制阀精确或准确,这可能导致过程中出现波动或不一致。




远程操作切断阀(ROSOV)


图片


远程操作切断阀或ROSOV是一种控制阀,可以通过电子设备或计算机进行远程控制。这些阀门用于各种工业设置,包括石油和天然气管道、水处理设施和化工厂。它们通常安装在难以到达或危险的位置,如地下深处或海上。


在紧急情况下或作为日常维护的一部分,可以远程关闭阀门,以防止进一步损坏或危险情况。该功能减少了工人实际接触阀门的需要,降低了发生事故或受伤的可能性。因此,远程操作的截止阀对于工业环境中的安全至关重要。


简而言之,远程操作切断阀是许多行业的一项重要安全措施,可以保护工人和环境,并防止事故发生。


控制阀的选择


选择控制阀时,需要考虑以下几个标准:

  1. 阀门类型

    应根据应用要求选择阀门类型,例如流量、压降和流体特性。

  2. 阀门尺寸

    阀门尺寸应与工艺流量和管道尺寸相匹配,以避免高压降或效率低下等问题。

  3. 阀门材料

    阀门所用材料应与工艺流体和操作条件相兼容,例如温度、压力和耐腐蚀性。

  4. 流量特性

    控制阀具有不同的流量特性,例如线性、等百分比和快速开启。所选的流量特性应满足所需的控制响应和工艺要求。

  5. 执行机构类型

    根据工艺要求和可用电源,执行机构可以是气动、电动或液压的。

  6. 维护要求

    应考虑阀门维护要求,如易于接近、维修和零件更换。

  7. 成本

    应考虑阀门和相关设备的成本,如致动器和定位器。阀门生命周期的总拥有成本也应考虑在内。


通过仔细考虑这些标准,您可以为您的过程控制系统选择正确的控制阀,并确保最佳性能和效率。



结论


在各种工业过程中,控制阀是调节流体流量、压力和温度的重要组件。它们在石油和天然气生产、化学加工和水处理等系统中至关重要。

根据应用和具体控制要求选择适当类型的控制阀。控制阀的正确选择、安装和维护对于其最佳性能和使用寿命至关重要。

技术进步导致开发出更精密的控制阀,可提供更高的精度、可靠性和效率。鉴于其在过程控制中的关键作用,控制阀将继续在众多行业中发挥重要作用。


免责声明:本文源自阀门知识,供参考,版权归原作者所有,如侵权请联系删除。



WeChat scan codeWeChat scan code

  • support hotline021-51138860

  • mobile phone15221570163

 Add:上海市嘉定区金沙江西路1555弄慧创国际B区381号3楼 苏ICP备2024067431号-1 XML